PumpSelector - Calpeda PumpSelector - Calpeda
logo pump selector

Pump Selector

Gruppo

Modello (206) BSM1V 1 MXH 1603/B-EMT
Famiglia BS MXH
Velocità
Tipo di inverter EASYMAT 9.2MT
kW ---
Numero di pompe 1
---
---
---

mc/h
m
 
Il tuo
Prodotto
BSM1V 1 MXH 1603/B-EMT 206
81051300000

 

Curve





Loading...

Dati pompa e motore

  • n (rpm):

    2900

  • N. di giranti:

    3

  • H max (m):

    34.00

  • H min (m):

    8.80

  • Q min (mc/h):

    5.00

  • Q max (mc/h):

    25.00

  • Pn (kW):

    1.80

  • Pn (HP):

    2.50

  • Diametro girante (mm):

    104.00

  • Diametro 2° girante (mm):

    0.00

  • Tipo motore:

    IM

  • Fasi motore:

    3~

  • Un (V):

    230/400

  • fn (Hz):

    50

  • Poli:

    2

  • In (A):

    8.3 / 4.8

  • Classe di isolamento:

    F

  • Servizio:

    S1

  • Min temperatura del liquido (°C):

    -15.00 °C

  • IE:

    IE3-85.0

  • Peso (kg):

    20.800

  • Protezione:

    IP 54

Materiali

  • Corpo pompa:

    Acciaio inox AISI 304

  • Coperchio del corpo:

    Acciaio inossibabile al Cr-Ni 1.4301 EN 10088 (AISI 304)

  • Corpo stadio:

    Acciaio inossibabile al Cr-Ni 1.4301 EN 10088 (AISI 304)

  • Girante:

    Acciaio inossibabile al Cr-Ni 1.4301 EN 10088 (AISI 304)

  • Anello tenuta girante:

    PTFE

  • Bussola distanziatrice:

    Acciaio inossibabile al Cr-Ni 1.4301 EN 10088 (AISI 304)

  • Albero:

    Acciaio inossidabile al Cr-Ni 1.4301 EN 10088 (AISI 304)

  • Tenuta meccanica:

    Allumina-Carbone-EPDM

Dati gruppo

  • Pompe totali:

    1 nr

  • N° Pompe Velocità Variabile:

    1 nr

  • Potenza Totale Gruppo:

    1.8

  • Volt Quadro:

    230V AC

  • Fasi Input Quadro:

    1

  • Peso:

    32.800

  • riftrgdata:

    6223030000000

  • Volt Motore:

    230V AC

  • Fasi Motore:

    3

  • Corrente 1 Quadro (A):

    17.6

  • Corrente 2 Quadro (A):

    8.3

  • calpeda.materiali_gruppo.tipomot:

    80

Materiali gruppo

  • Base:

    Acciaio S235JR Zincato

  • Collettori:

    Acciaio inossidabile al Cr-Ni 1.4301 EN 10088 (AISI 304)
    Ottone Nichelato

  • Guarnizioni:

    Gomma NBR (nitrile butadiene rubber)

  • Manometro:

    Ottone

  • Raccorderia:

    Acciaio Zincato
    Ottone

  • Trasduttore di Pressione:

    Acciaio inossidabile al Cr-Ni-Mo 1.4401 EN 10088 (AISI 316)

  • Valvole Intercettazione:

    Ottone Nichelato
    PTFE (Polytetrafluoroethylene)

  • Valvole Ritegno:

    Gomma NBR (nitrile butadiene rubber)
    Ottone Nichelato
    PTFE (Polytetrafluoroethylene)

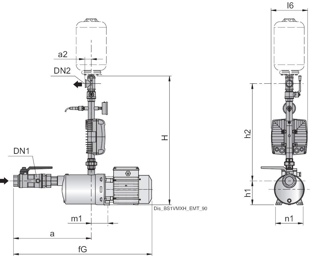
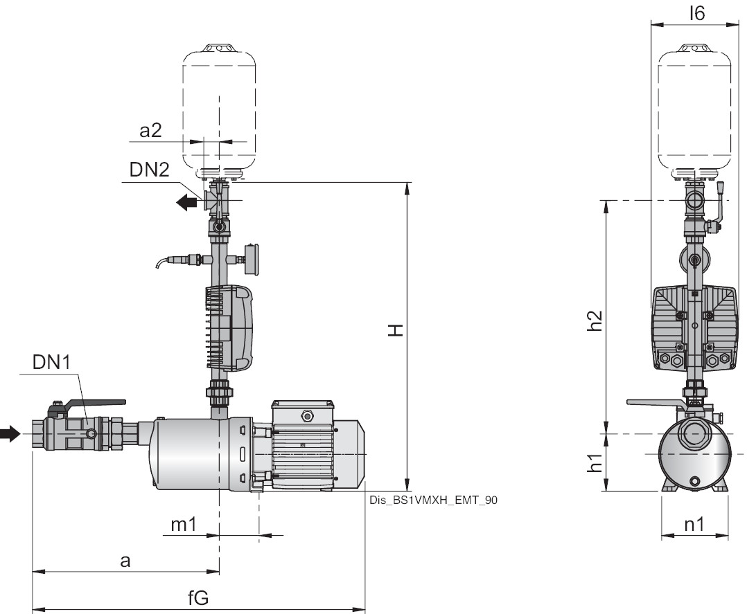
Dimensioni (mm)

  • a 404.00 mm
  • fG 752.00 mm
  • h1 117.00 mm
  • h2 560.00 mm
  • l6 165.00 mm
  • m1 101.00 mm
  • n1 146.00 mm
  • H 750.00 mm
  • dn1 G 2
  • dn2 G 1 1/2

BS MXH

Pompe multistadio orizzontali monoblocco in acciaio inossidabile

Esecuzione

Pompe multistadio orizzontali monoblocco di acciaio inossidabile al cromo-nichel AISI 304, acciaio AISI 316 per MXHL 2, 4, 8.
Costruzione compatta ed estremamente robusta, con raccordo pompa motore compatto e motore con piedi di appoggio.
Corpo pompa in un solo pezzo, aperto su un solo lato (barrel casing), con bocca di aspirazione frontale e bocca di mandata radiale in alto.
Versione con inverter I-MAT a richiesta

Applicazione

Per l'approvvigionamento d'acqua.
Per liquidi puliti, senza parti abrasive, non aggressivi per l'acciaio inossidabile (con adattamento, a richiesta, dei materiali di tenuta).
Pompa universale, per l'impiego domestico, per applicazioni civili e industriali, per giardinaggio e irrigazione.

Limiti d'impiego

Temperatura liquido: da -15 °C a +110 °C.
Temperatura ambiente fino a 40 °C.
Pressione finale massima ammessa nel corpo pompa: 8 bar, 10 bar per MXH 20, 32, 48.
Servizio continuo.

Modulo Richiesta Scheda Tecnica

calpeda.errore form countries
Controllare che il campo sia un indirizzo email valido
Controllare che il campo sia inserito correttamente
Controllare che il campo sia inserito correttamente

Controllare che il campo sia inserito correttamente
* Campi obbligatori