PumpSelector - Calpeda PumpSelector - Calpeda
logo pump selector

Pump Selector

Gruppo

Modello (621) BSM1F 1 MXVM 32-507 O
Famiglia BS MXV
Velocità
Tipo di inverter
kW ---
Numero di pompe 1
---
---
---

mc/h
m
 
Il tuo
Prodotto
BSM1F 1 MXVM 32-507 O 621
81165070000

 

Curve





Loading...

Dati pompa e motore

  • n (rpm):

    2900

  • N. di giranti:

    7

  • H max (m):

    72.50

  • H min (m):

    26.50

  • Q min (mc/h):

    2.50

  • Q max (mc/h):

    8.00

  • Pn (kW):

    1.50

  • Pn (HP):

    2.00

  • Diametro girante (mm):

    98.50

  • Diametro 2° girante (mm):

    0.00

  • Tipo motore:

    IM

  • Fasi motore:

    1~

  • Un (V):

    230

  • fn (Hz):

    50

  • Poli:

    2

  • Servizio:

    S3

  • Min temperatura del liquido (°C):

    -15.00 °C

  • Max temperatura del liquido (°C):

    110

  • Peso (kg):

    34.400

Materiali

  • Camicia esterna:

    Acciaio inossibabile al Cr-Ni 1.4301 EN 10088 (AISI 304)

  • Corpo pompa:

    Acciaio inox AISI 304

  • Corpo aspirante:

    Acciaio inossibabile al Cr-Ni 1.4301 EN 10088 (AISI 304)

  • Flangia di aspirazione:

    Acciaio inossibabile al Cr-Ni 1.4301 EN 10088 (AISI 304)

  • Corpo di mandata:

    Acciaio inossibabile al Cr-Ni 1.4301 EN 10088 (AISI 304)

  • Corpo stadio:

    Acciaio inossibabile al Cr-Ni 1.4301 EN 10088 (AISI 304)

  • Girante:

    Acciaio inossibabile al Cr-Ni 1.4301 EN 10088 (AISI 304)

  • Anello tenuta girante:

    PPS

  • Coperchio inferiore:

    Acciaio inossibabile al Cr-Ni 1.4301 EN 10088 (AISI 304)

  • Coperchio superiore:

    Acciaio inossibabile al Cr-Ni 1.4301 EN 10088 (AISI 304)

  • Bussola distanziatrice:

    Acciaio inossibabile al Cr-Ni 1.4301 EN 10088 (AISI 304)

  • Albero:

    Acciaio inossidabile al Cr-Ni 1.4305 EN 10088 (AISI 303)

  • Tenuta meccanica:

    Metallo duro-Carbone-EPDM

  • Controflange:

    Acciaio Inossidabile al Cr-Ni 1.4301 EN 10088 (AISI 304)

  • O-ring:

    NBR

  • Bussola cuscinetto:

    Carburo anticorrosivo-inossidabile

  • Cuscinetto nel corpo pompa:

    Allumina

Dati gruppo

  • Codice Quadro:

    14054460000

  • Pompe totali:

    1 nr

  • Pompe VF:

    1 nr

  • Potenza Totale Gruppo:

    1.5

  • Volt Quadro:

    230V AC

  • Fasi Input Quadro:

    1

  • Peso:

    42.300

  • riftrgdata:

    52B07312000

  • Volt Motore:

    230V AC

  • Fasi Motore:

    1

Materiali gruppo

  • Collettori:

    Acciaio inossidabile al Cr-Ni 1.4301 EN 10088 (AISI 304)

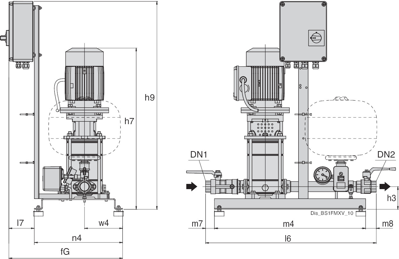
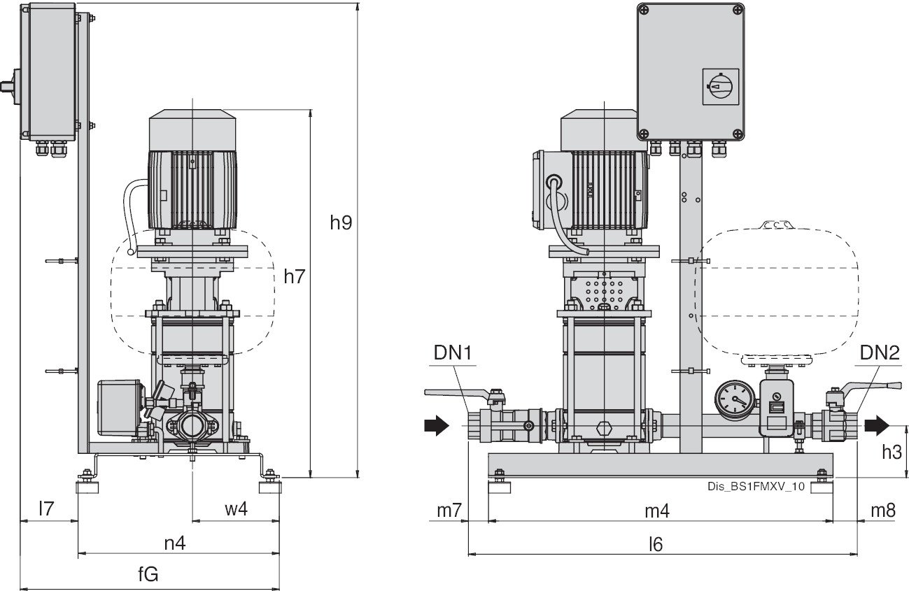
Dimensioni (mm)

  • fG 470.00 mm
  • h3 94.00 mm
  • h7 738.00 mm
  • h9 862.00 mm
  • l6 706.00 mm
  • m4 625.00 mm
  • m7 37.00 mm
  • m8 44.00 mm
  • n4 365.00 mm
  • w4 158.00 mm
  • dn1 G 1 1/4
  • dn2 G 1 1/4

BS MXV

Pompe multistadio verticali in-line in acciaio inossidabile

Esecuzione

Pompe multistadio verticali con bocche di aspirazione e mandata dello stesso diametro e disposte sullo stesso asse (in-line).
Bussole di guida resistenti alla corrosione e lubrificate dal liquido pompato.
Rimozione della tenuta meccanica senza smontare il motore (per MXV 25-32-40-50,100 con motori superiori a 4 kW).
Pompa con cuscinetto reggispinta e giunto a bussola per l'impiego di qualsiasi motore standard in forma costruttiva IM V1.
Versione con inverter I-MAT (a richiesta).

Applicazione

Per l'approvvigionamento d'acqua.
Per liquidi puliti, non esplosivi, senza parti abrasive solide o filamentose (con adattamento, a richiesta, dei materiali di tenuta).
Pompa universale per applicazioni civili ed industriali, per impianti aumento pressione, impianti di lavaggio ad alta pressione, per l'irrigazione, per l'agricoltura, per impianti sportivi.

Limiti d'impiego

Temperatura liquido da -15 °C fino a +110 °C.
Temperatura ambiente fino a 40 °C.
Pressione massima ammessa nel corpo pompa: 25 bar, (16 bar per pompe con flange ovali).
Servizio Continuo.

Modulo Richiesta Scheda Tecnica

calpeda.errore form countries
Controllare che il campo sia un indirizzo email valido
Controllare che il campo sia inserito correttamente
Controllare che il campo sia inserito correttamente

Controllare che il campo sia inserito correttamente
* Campi obbligatori