PumpSelector - Calpeda PumpSelector - Calpeda
logo pump selector

Pump Selector

Gruppo

Modello (1020) NMS EI 80/250C/A
Famiglia NM, NMS
Velocità
Tipo di inverter
kW ---
Numero di pompe 1
---
---
---

mc/h
m
 
Il tuo
Prodotto
NMS EI 80/250C/A 1020
I60T02101000

 

Curve





Loading...

Dati pompa e motore

  • n (rpm):

    2900

  • N. di giranti:

    1

  • H max (m):

    73.50

  • H min (m):

    51.50

  • Q min (mc/h):

    75.00

  • Q max (mc/h):

    192.00

  • Pn (kW):

    37.00

  • Pn (HP):

    50.00

  • Diametro girante (mm):

    238.00

  • Diametro 2° girante (mm):

    0.00

  • Tipo motore:

    IM

  • Fasi motore:

    3~

  • Un (V):

    400/690

  • fn (Hz):

    50

  • Poli:

    2

  • Servizio:

    S1

  • Min temperatura del liquido (°C):

    -10.00 °C

  • Peso (kg):

    317.000

Materiali

  • Corpo pompa:

    Ghisa GJL 200 EN 1561

  • Coperchio del corpo:

    Ghisa GJL 200 EN 1561

  • Raccordo:

    Ghisa GJL 200 EN 1561

  • Girante:

    Ghisa GJL 200 EN 1561

  • Albero:

    Acciaio inossidabile al Cr 1.4105 EN 10088 (AISI 430F)

  • Tenuta meccanica:

    Carbone-Ceramica-NBR

  • Controflange:

    Acciaio S235JR 1.0038 EN 10025-2

Dati gruppo

  • Pompe totali:

    1 nr

  • N° Pompe Velocità Variabile:

    1 nr

  • Fasi Input Quadro:

    3

  • riftrgdata:

    60T0210100003

  • Fasi Motore:

    3

Materiali gruppo

  • Trasduttore di Pressione:

    Acciaio inossidabile al Cr-Ni-Mo 1.4401 EN 10088 (AISI 316)

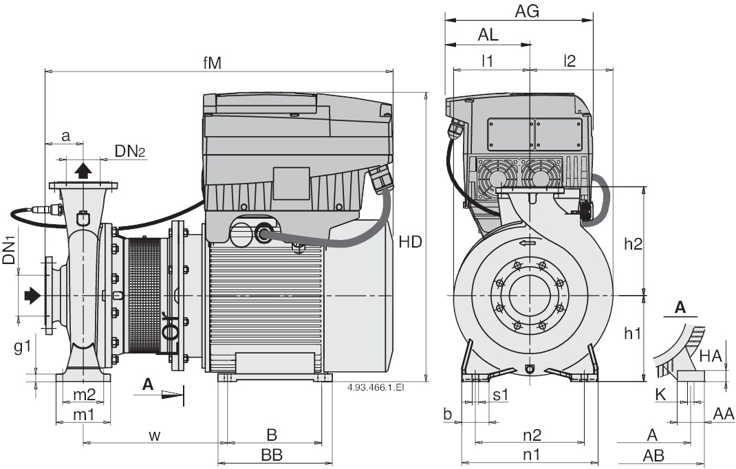
Dimensioni (mm)

  • a 125.00 mm
  • b 80.00 mm
  • fM 1034.00 mm
  • g1 20.00 mm
  • h1 200.00 mm
  • h2 280.00 mm
  • l1 191.00 mm
  • l2 211.00 mm
  • m1 160.00 mm
  • m2 120.00 mm
  • n1 400.00 mm
  • n2 315.00 mm
  • A 318.00 mm
  • AA 70.00 mm
  • AB 390.00 mm
  • AG 350.00 mm
  • AL 190.00 mm
  • B 305.00 mm
  • BB 355.00 mm
  • HA 25.00 mm
  • HD 783.00 mm
  • dn1 100 mm.
  • dn2 80 mm.
  • s1 18 mm.

NM, NMS

Elettropompe centrifughe monoblocco con bocche flangiate

Esecuzione

Elettropompe centrifughe monoblocco con accoppiamento diretto motore-pompa e albero unico fino a 22 kW, costruzione per motori normalizzati IEC con cuscinetto reggispinta integrato da 30 a 75 kW (costruzione Stub-shaft).
Corpo pompa con bocca di aspirazione assiale e bocca di mandata radiale in alto, con dimensioni principali e prestazioni secondo EN 733.
NM(S): versione con corpo pompa e raccordo in ghisa.
BNM(S): versione con corpo pompa e raccordo/coperchio in bronzo.
Le pompe in bronzo vengono fornite completamente verniciate.
Versione con inverter I-MAT a richiesta

Applicazione

Per liquidi puliti senza parti abrasive, non aggressivi per i materiali della pompa (con parti solide fino a 0,2% max).
Per l’approvvigionamento d’acqua.
Per impianti di riscaldamento, condizionamento, raffreddamento e circolazione.
Per applicazioni civili e industriali.
Per irrigazione.

Limiti d'impiego

Temperatura liquido: da -10 °C a +90 °C.
Temperatura ambiente fino a 40 °C.
Altezza di aspirazione manometrica fino a 7 m.
Pressione finale massima ammessa nel corpo pompa: 16 bar (10 bar per NM 32/12,16,20; NM 40/12,25; NM 50/20,25, NM 100/25 e versione in bronzo).
Servizio continuo.

Modulo Richiesta Scheda Tecnica

calpeda.errore form countries
Controllare che il campo sia un indirizzo email valido
Controllare che il campo sia inserito correttamente
Controllare che il campo sia inserito correttamente

Controllare che il campo sia inserito correttamente
* Campi obbligatori