PumpSelector - Calpeda PumpSelector - Calpeda
logo pump selector

Pump Selector

Pompa

Modello BNM4 50/20C-60/C
Famiglia NM4, NMS4
Velocità Fissa
Portata Max 37,80 m³/h
Prevalenza Max 11,20 m
Corpo Pompa Bronzo G-Cu Sn 10 EN 1982
Portata Min 10,80 m³/h
Prevalenza Min 2,70 m
kW 1,10 kW
Potenza Assorbita ---
Rendimento ---

Loading...

Dati pompa e motore

mc/h
m
 
0
Il tuo
Prodotto
5972
BNM4 50/20C-60/C
6190036301000

 

Curve





Loading...

Dati pompa e motore

  • n (rpm):

    1750

  • N. di giranti:

    1

  • H max (m):

    11.20

  • H min (m):

    2.70

  • Q min (mc/h):

    10.80

  • Q max (mc/h):

    37.80

  • Pn (kW):

    1.10

  • Pn (HP):

    1.50

  • Diametro girante (mm):

    154.00

  • Tipo motore:

    IM

  • Fasi motore:

    3~

  • Un (V):

    220/380

  • fn (Hz):

    60

  • Poli:

    4

  • In (A):

    5.8 / 3.3

  • Classe di isolamento:

    F

  • Servizio:

    S1

  • Min temperatura del liquido (°C):

    -10.00 °C

  • IE:

    IE3-86.5

  • Peso (kg):

    59.600

  • Protezione:

    IP 54

Materiali

  • Corpo pompa:

    Bronzo G-Cu Sn 10 EN 1982

  • Raccordo:

    Bronzo G-Cu Sn 10 EN 1982

  • Girante:

    Bronzo G-Cu Sn 10 EN 1982

  • Albero:

    Acciaio inossidabile al Cr-Ni-Mo 1.4401 EN 10088 (AISI 316)

  • Tenuta meccanica:

    Carbone-Ceramica-NBR

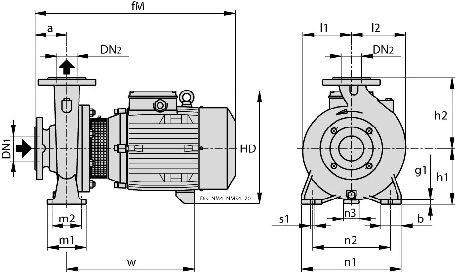
Dimensioni (mm)

  • a 100.00 mm
  • b 50.00 mm
  • fM 509.00 mm
  • g1 14.00 mm
  • h1 160.00 mm
  • h2 200.00 mm
  • l1 142.00 mm
  • l2 152.00 mm
  • m1 100.00 mm
  • m2 70.00 mm
  • n1 265.00 mm
  • n2 212.00 mm
  • n3 37.00 mm
  • HD 300.00 mm
  • w 307.00 mm
  • dn1 65
  • dn2 50
  • s1 14
Dimensioni (mm)

NM4, NMS4

Pompe centrifughe monoblocco n≈1450 1/min

Esecuzione

Elettropompe centrifughe monoblocco con accoppiamento diretto motore-pompa e albero unico fino a 15 kW, costruzione per motori normalizzati IEC con cuscinetto reggispinta integrato da 18,5 a 75 kW (costruzione Stub-shaft).
Corpo pompa con bocca di aspirazione assiale e bocca di mandata radiale in alto, con dimensioni principali e prestazioni secondo EN 733 con altre grandezze aggiunte a completamento.
NM(S)4:versione con corpo pompa e raccordo in ghisa.
BNM(S)4:versione con corpo pompa e raccordo/coperchio in bronzo.
Le pompe in bronzo vengono fornite completamente verniciate.
Versione con invereter I-MAT a richiesta.

Applicazione

Per liquidi puliti senza parti abrasive, non aggressivi per i materiali della pompa (con parti solide fino a 0,2% max).
Per l’approvvigionamento d’acqua.
Per irrigazione.
Per impianti di riscaldamento, condizionamento, raffreddamento e circolazione.
Per applicazioni civili e industriali.
Quando è richiesto un funzionamento con rumorosità ridotta.

Limiti d'impiego

Temperatura liquido: da -10 °C a +90 °C.
Temperatura ambiente fino a 40 °C.
Altezza di aspirazione manometrica fino a 7 m.
Pressione finale massima ammessa nel corpo pompa: 16 bar (10 bar per NM4 25/12,160,200, NM4 32/16,20; NM4 40/25; NM4 50/20,25, NM4 65/31, NM(S)4 100/250,315,400, NM(S)4 125/250,400, NMS4 150/400 e versione in bronzo).
Servizio continuo.

Modulo Richiesta Scheda Tecnica

calpeda.errore form countries
Controllare che il campo sia un indirizzo email valido
Controllare che il campo sia inserito correttamente
Controllare che il campo sia inserito correttamente

Controllare che il campo sia inserito correttamente
* Campi obbligatori